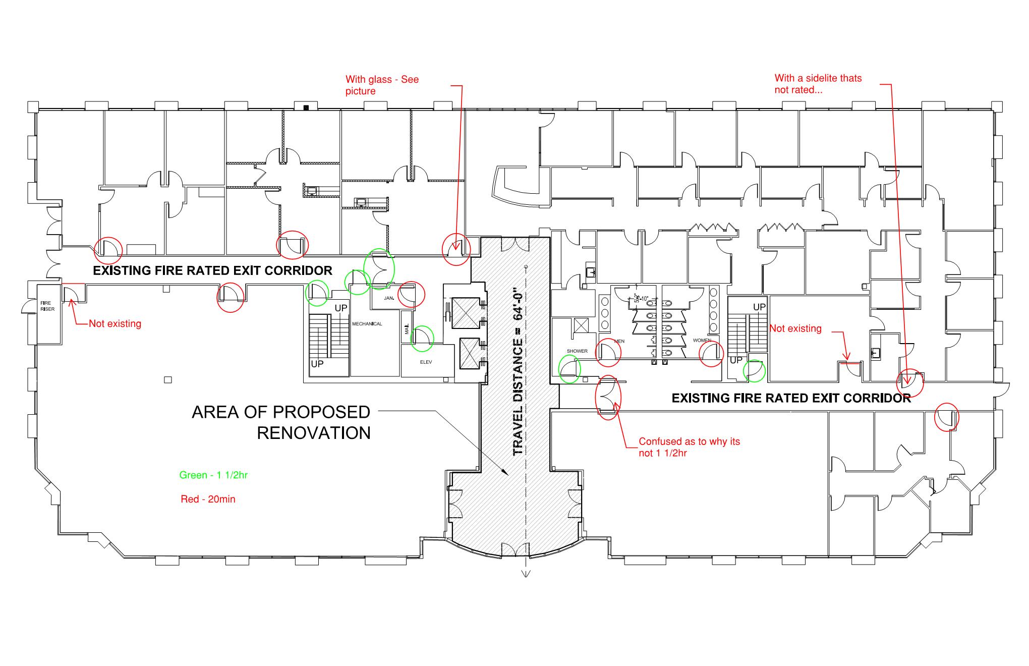
If you read my posting called Redlining you would know that I have been working on a small TI lobby remodel. Just as we were about to issue the set of drawings for bidding, we were asked to replace all the main doors down two side exit corridors through the building. This wasn’t apart of our original scope of work, so we needed to get more information on the existing building. Because our specification of the doors would affect the Life Saftey of the building, we needed find out what the existing fire ratings are for the walls and doors. We started our investigating by sending a plan of the building, to its facility manager. On the hinge side of each of the doors there is a metal tag letting us know what the fire rating of that door is.

After the facility manager received the plan and reviewed each door, we received back the following diagram:
Because once we received this , we found some areas that weren’t adding up. I did a study of the plan with the general fire code needs (before reviewing it with a code official.)
Through this study and by reviewing it with some past code official’s reviews we we have been able to make a decision about what the ratings of the doors need to be. We updated the specifications/drawings accordingly and have submitted them to the owner for review and permitting.


Leave a comment